技术

以高性能图像传感器加速机器视觉应用落地

以高性能图像传感器加速机器视觉应用落地

根据 Expert Market Research 的报告,2023 年全球机器视觉市场规模达到了约 108.8 亿美元。预计 2024 年至...[阅读全文]

智能边缘传感器需要新电源概念

智能边缘传感器需要新电源概念

问题: 智能边缘正扩展到全行业,逐渐替代原有的边缘传感器和执行器。智能边缘可以使用常见的传统电源吗? ...[阅读全文]

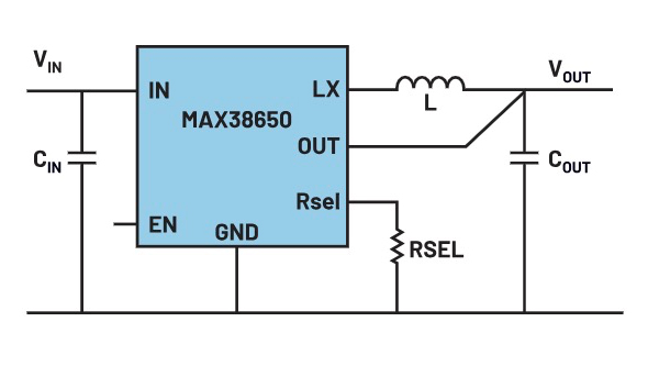
面向现代视觉系统的低功耗图像传感器

面向现代视觉系统的低功耗图像传感器

在更快的连接速度、更高的自动化程度和更智能系统的推动下,工业4.0加快了视觉技术在制造业中的应用,并将智...[阅读全文]

适用于工业和交通市场的电感式位置传感器

适用于工业和交通市场的电感式位置传感器

随着各行各业自动化程度的提高,运动控制的重要性日益凸显。为了有效地驱动电机,描述速度和位置的控制输入...[阅读全文]

X-FAB引入图像传感器背照技术增强CMOS传感器性能

X-FAB引入图像传感器背照技术增强CMOS传感器性能

中国北京,2024年4月9日——全球公认的卓越的模拟/混合信号晶圆代工厂X-FAB Silicon Foundries(&...[阅读全文]

纳芯微推出车规级温湿度传感器NSHT30-Q1,助力汽车智能化发展

纳芯微推出车规级温湿度传感器NSHT30-Q1,助力汽车智能化发展

近日,纳芯微宣布推出基于CMOS-MEMS的车规级相对湿度(RH)和温度传感器NSHT30-Q1。 NSHT30-Q1在单芯片上集...[阅读全文]

解决角雷达系统的 3 大电源设计挑战

解决角雷达系统的 3 大电源设计挑战

在过去十年内,雷达传感技术开始逐步替代传统的汽车传感方式。雷达传感技术具有多项优势,例如可以进行远距...[阅读全文]

巨磁阻多圈位置传感器的磁体设计

巨磁阻多圈位置传感器的磁体设计

摘要 基于巨磁阻(GMR)传感技术的真正上电多圈传感器必将彻底改变工业和汽车用例中的位置传感市场,因为与...[阅读全文]

ADALM2000实验:IC温度传感器

ADALM2000实验:IC温度传感器

目标 :本实验活动的目标是使用集成电路温度传感器测量环境温度,这些温度传感器提供与绝对温度成比例的输出...[阅读全文]

使用霍尔效应电流传感器简化高压电流检测

使用霍尔效应电流传感器简化高压电流检测

在电动汽车(EV)充电系统和光伏逆变器系统中,电流传感器通过监测分流电阻器上的压降或导体中电流产生的磁场...[阅读全文]

2024世界人工智能大会专题
ABB电机与发电机拼图挑战赛
优傲机器人下载中心
西克
专题报道
2024世界人工智能大会
2024世界人工智能大会

WAIC 2024将于7月在上海举行,论坛时间7月4日-6日,展览时间7月4日-7日。WAIC 2024将围绕“以共商促...[更多]

2024汉诺威工业博览会专题
2024汉诺威工业博览会专题

2024 汉诺威工业博览会将于4月22 - 26日在德国汉诺威展览中心举行。作为全球首屈一指的工业贸易展览会,本届展览会...[更多]

第三届EESA储能展
第三届EESA储能展

EESA储能展是由储能领跑者联盟主办的品牌展会,创办至今已经连续举办了两届。为加快适应储能规模化发展的步伐,促进储能行业...[更多]